Исландия 2009
Фото на заставке: © elka. Описание: Исландия 2009. Рейтинг: 0.0. Оцените фото: □1 □2 □3

Пневмосистемы.

Обсуждение техники, включая средства радиосвязи и навигации.

Пневмосистемы.

Сообщение 3WHouse 11 июл 2010 17:46

завершил третью переборку своего компрессора по схемке
(осталось собрать хвост на колёса)
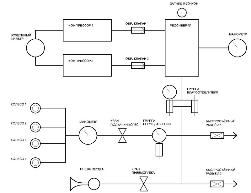
2 беркута, 2 реле по 70А, 1 автомат на 100А, рессивер 4л, группа влагоотделителя (и лубрикатор - можно юузать пневмооинструмент), мех.клапан дудки и тд.
хочу услышать рекомендации (или дополнения) - может чтото сделал не так :tongue3:
//
фотки:
d437afee994b.jpg
Схема комплектующих

P7110152.JPG
общий вид: 2 беркута, 4л рес, группа влагоотделителя,

P7110153.JPG
влагоотделитель, регулятор давления

P7110156.JPG
основной манометр, выключатель

P7110155.JPG
авт. предохранитель

P7110158.JPG
механический кран пневмогудка

P7110176.jpg
пневмодудка спряталась с каркасе.)

P7110163.jpg
общий бардак: на переднем плане один из боковых *быстрых разъёмов* под шланг подкачки
также: You can go fast i can go anywhere.)))
www.podrezkov.com
Аватара пользователя
3WHouse
 
Сообщения: 1174
Зарегистрирован: 10 ноя 2009 07:33
Откуда: столько веселья, если у тебя Лендровер?

Re: Пневмосистемы.

Сообщение viacheslav 12 июл 2010 11:21

Виталь, а от ресивера к влагоотделителю обычные водопроводные шланги идут? Или какие-то специальные?
Далеко бежит дорога (впереди веселья много).....
Аватара пользователя
viacheslav
 
Сообщения: 845
Зарегистрирован: 24 фев 2009 13:49

Re: Пневмосистемы.

Сообщение 3WHouse 12 июл 2010 14:31

viacheslav писал(а):Виталь, а от ресивера к влагоотделителю обычные водопроводные шланги идут? Или какие-то специальные?

это 10мм армированные пневматические шланги до 20атм. чтото около 70ре п.м. ;)
(магазин *энтузиаст*. тамже покупаю все уголки, нипеля, переходники и йолки)
ранее пробовал их крепить на обычных хамутах - слетает нафиг (но до этого качал 10очков)
теперь только такие:
Изображение
//
также надо учитывать, что выпуск с компрессора очень сильно нагревается и надо использовать либо специальные металлизированные шланги или ..гибкую газовую подводку.)))
//
вот пример использования италианских пневмошлангов 6мм для агрегатных сапунов.))
b711947a1eb6.jpg
сапуны
также: You can go fast i can go anywhere.)))
www.podrezkov.com
Аватара пользователя
3WHouse
 
Сообщения: 1174
Зарегистрирован: 10 ноя 2009 07:33
Откуда: столько веселья, если у тебя Лендровер?

Re: Пневмосистемы.

Сообщение Primus 12 июл 2010 18:41

Во дела, хочу все знать :shock:
Изображение
Нет того, что человек не может, есть то, чего он недостаточно хочет!!!
Primus
 
Сообщения: 5906
Зарегистрирован: 24 фев 2009 19:21
Откуда: г. Королёв МО

Re: Пневмосистемы.

Сообщение Igant 12 июл 2010 22:22

Хорошо, и компрессоры под крышу очень правильно!
Аватара пользователя
Igant
 
Сообщения: 1788
Зарегистрирован: 04 мар 2009 08:57
Откуда: г.Москва ЮВАО Люблино

Re: Пневмосистемы.

Сообщение ok_escudo 12 июл 2010 22:28

Igant писал(а):Хорошо, и компрессоры под крышу очень правильно!

А мне вот удивительно - компрессоры и ресивер под крышу :icon_scratch: :icon_scratch: :icon_scratch: Сурово как-то - а зачем? И вот сидеть на заднем сиденье, когда в затылок в упор стоит офигенная банка ресивера, и ждать, то ли она в голову придет, когда сорвется при лобовом столкновении, то ли сорванным от усталости металла шлангом высокого давления в ухо засветит - как-то не комфортно. Имхо, конечно.

Или Игант ёрничает?
---
Mitsubishi Canter 4WD
Аватара пользователя
ok_escudo
Заслуженный писатель форума
Заслуженный писатель форума
 
Сообщения: 6146
Зарегистрирован: 24 фев 2009 12:43
Откуда: ... или куда?

Re: Пневмосистемы.

Сообщение Igant 12 июл 2010 22:59

Не я не ёрничаю.
Олег, на фото у Виталика "коротенький", а его как правило любят топить, ну так получается...
Я Гоблину про идею под крышу давно мозг вынес.
У Ворчуна к примеру компрессор под крышой...
Спорт батенька.... "Мощщи" скоро " подводную лодку" построят из своей "катлеты".
Аватара пользователя
Igant
 
Сообщения: 1788
Зарегистрирован: 04 мар 2009 08:57
Откуда: г.Москва ЮВАО Люблино

Re: Пневмосистемы.

Сообщение 3WHouse 13 июл 2010 10:13

Igant писал(а):Не я не ёрничаю.
Олег, на фото у Виталика "коротенький"

на счёт того, что он короткий хз.
ты его сам зимой пытался копать :tongue3:
P7110174.JPG
короткий.)

//
*потолочная* болезнь очень обостряецца, когда в воде потеряешь часть оборудования.)))
поэтому компрессоры, инвертор, усилок, конденс, видеорегистратор расположены сверху.
(кстати, на этом *багажнике* иногда лежат некоторые носильные вещи, которые также не хочецца мочить.)
по поводу расположения рессивера: из соображений более короткой трассировки и облегчения слива конденсата. + я сзади не езжу.))
вход трасс в него обеспечен через *Y*-образный трайник, чтобы воздушные потоки не сталкивались друг с другом.
//
ещё один вариант расположения:
301107 (39).JPG
компрессор в портальном 110
также: You can go fast i can go anywhere.)))
www.podrezkov.com
Аватара пользователя
3WHouse
 
Сообщения: 1174
Зарегистрирован: 10 ноя 2009 07:33
Откуда: столько веселья, если у тебя Лендровер?

Re: Пневмосистемы.

Сообщение viacheslav 13 июл 2010 11:04

Блин, чуть чуть тему деталями добавить (фотки, спеки) и хоть оформляй как статью по созданию в машине пневмосистемы :thumbsup:
Далеко бежит дорога (впереди веселья много).....
Аватара пользователя
viacheslav
 
Сообщения: 845
Зарегистрирован: 24 фев 2009 13:49

Re: Пневмосистемы.

Сообщение 3WHouse 13 июл 2010 12:56

вот ещё чьято система на какомто огромном компрессоре:
Изображение
http://www.roverworld.com/compressore_12v.htm
компрессор один - нет возможной альтернативы (у меня три - на одном из них какнить всё будет работать)
система собрана на *быстрых разъёмах* и пластике - держит до 7атм, что очень критично.
//
два беркута дадут столько же воздуха (если не больше) на давлении более 3атм (при накачке колеса сейчас выдают мin 4атм в систему, на одном было завышение до 0.7-1 выше давления накачиваемого колеса)
//
ещё есть тема с насосом блокировок: забор воздуха на него осуществляецца из общего фильтра, с одним из беркутов (чуть позже подключу все три на бОльший фильтр)
 арб.jpg

можноли в данном случае топить этот насос? ))
также: You can go fast i can go anywhere.)))
www.podrezkov.com
Аватара пользователя
3WHouse
 
Сообщения: 1174
Зарегистрирован: 10 ноя 2009 07:33
Откуда: столько веселья, если у тебя Лендровер?

Re: Пневмосистемы.

Сообщение Igant 15 июл 2010 13:23

Про "коротенький" - это я ступил :) у тебя много их очень :lol:
Ещё раз скажу - молодец, класс!!!
Аватара пользователя
Igant
 
Сообщения: 1788
Зарегистрирован: 04 мар 2009 08:57
Откуда: г.Москва ЮВАО Люблино

Re: Пневмосистемы.

Сообщение ok_escudo 16 мар 2011 23:53

Надоело долго качать колеса просто компрессором, периодически его выключая, чтобы проверить давление. Хочется "пшик" пистолетиком.

Городить супер надежную резервированную систему в Диско не хочется то же :)

Виталь, как спец по пневмосистемам - скажи что нужно для минимального "наколенного" варианта? Компрессор двухпоршневой производительный есть. Ресивер - хочется все упихнуть под капот, вот такой малогабаритный на 1,89 литра при максимальном давлении
http://off-road-market.ru/catalog/275/item/2343/
пару 33" колес с 0,8 до 2,5 вдует? Потом пусть компрессор потарахтит на вторую пару колес, все равно быстрее будет, чем просто накачивать компрессором?
Еще обратный клапан между компрессором и ресивером, и датчик давления, чтобы выключал насос, и все - этим обойтись можно?
---
Mitsubishi Canter 4WD
Аватара пользователя
ok_escudo
Заслуженный писатель форума
Заслуженный писатель форума
 
Сообщения: 6146
Зарегистрирован: 24 фев 2009 12:43
Откуда: ... или куда?

Re: Пневмосистемы.

Сообщение S.A.V. 17 мар 2011 09:54

Олег, добрый день1

Собирали мне и товарищу всё по такой же схеме, как ты хочешь. У меня с ресивером, у товарища без, т.е. напрямую к пистолету. Всё работает.
Мой ресивер 4 литровый, по опыту пользования, особо роли не играет, поскольку маленький объем, компрессор всё равно постоянно тарахтит, если ставить, то большим объёмом или вообще без него обойтись, места гораздо больше сэкономишь.
на всякий случай, может пригодиться:

http://www.pneumax.ru/production/6/50/

собирали на базе данных фитингов, гораздо дешевле, чем во внедорожных магазинах, у них всё есть и клапана и шланги
Аватара пользователя
S.A.V.
 
Сообщения: 141
Зарегистрирован: 11 июн 2010 13:29

Re: Пневмосистемы.

Сообщение ok_escudo 17 мар 2011 10:09

Саш, спасибо!

Я вот только в пневмосистемах профан, конечно, но мне кажется, что ресивер, пусть и маленький, но с датчиком давления на включение-выключение компрессора, как раз и позволяет качать колесо, нажимая только на рычаг пистолета, а компрессор управляется автоматически. Ну и пусть объем ресивера маленький, компрессор почти постоянно тарахтеть будет, но при производительном компрессоре это не беда. Зато удобство управления.

А вот без ресивера от компрессора сразу к пистолету - это ж значит, что компрессор включать-выключать надо при подкачке.

Кстати, а какой такой разъем или клапан ставится на выходном шланге ресивера, который держит давление при неподключенном разъеме пистолета, а при подключенном - выдает воздух в пистолет, чтобы уже его рычагом подачу регулировать?
---
Mitsubishi Canter 4WD
Аватара пользователя
ok_escudo
Заслуженный писатель форума
Заслуженный писатель форума
 
Сообщения: 6146
Зарегистрирован: 24 фев 2009 12:43
Откуда: ... или куда?

Re: Пневмосистемы.

Сообщение S.A.V. 17 мар 2011 10:25

ok_escudo писал(а):А вот без ресивера от компрессора сразу к пистолету - это ж значит, что компрессор включать-выключать надо при подкачке.

Если ресивера нет в системе, то ничего не меняется, включение и выключение так же происходит нажатием на пневматический пистолет при подкачке, в данном случае как бы "ресивером" выступает сама пневмосистема, т.е. все шланги, а управляет эти реле, которое при определенном давлении включает и выключает систему.

Компрессор включается эл.тумблер только перед использованием или если хочешь постоянно, но мне например это не нужно, поскольку пневмосистему использую только для накачки колёс.
Сам же ресивер, позволяет только накопить некий объем воздуха. Если объем ресивера достаточно большой, у меня 4 литра-считаю маленький , то позволяет накачивать колесо не постоянно работающим компрессором, а как бы "накопил-отдал".
Аватара пользователя
S.A.V.
 
Сообщения: 141
Зарегистрирован: 11 июн 2010 13:29

След.

Вернуться в Техотдел

Кто сейчас на конференции

Сейчас этот форум просматривают: нет зарегистрированных пользователей и гости: 14

ЛЕГЕНДА ОБОЗНАЧЕНИЙ

форум с прочитанными/непрочитанными темами форум содержит подфорумы закрытый форум
прочитанная/не прочитанная тема объявление/прилепленная тема закрытая тема
популярная тема в этой теме есть ваши сообщения перенесённая тема