
вот мне прислали с /паджеро-форума/ говорят эта моя!!!
естественно все названия цфры и буквы с номерами Я удалил!!!
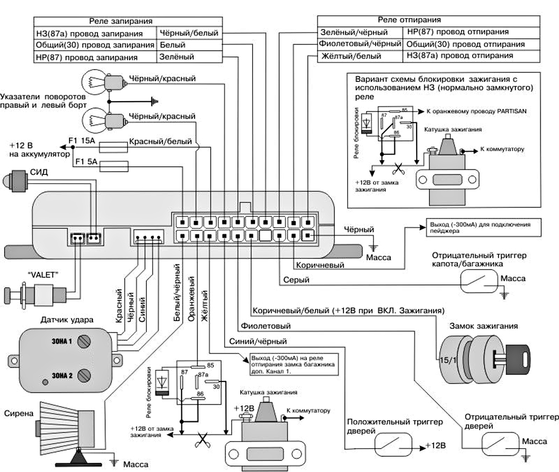
осталась одна схема.
ОБЪЕДИНЕННЫЙ ФОРУМ ВНЕДОРОЖНИКОВ 4x4Вы зашли по адресу forum.4x4.su |
4X4.SU — Полный привод начинается ЗДЕСЬ !· 4x4Trek · BRITANICA-AUTO · Mattrazz Trophy · |

ибо это зло может проявится где нибудь вне подходящем месте.Примус писал(а):После общения с Эскудо пришла мысль вааще снять еёибо это зло может проявится где нибудь вне подходящем месте.

Примус писал(а):После общения с Эскудо пришла мысль вааще снять еёибо это зло может проявится где нибудь вне подходящем месте.
Примус писал(а):С Гоблином на пару завели![]()
решение 2 минут.
зы: ща прогреться расскажу в чем дело,
чем больше электроники тем дороже решение.
Примус писал(а):С Гоблином на пару завели![]()
решение 2 минут.
3WHouse писал(а):Примус писал(а):С Гоблином на пару завели
решение 2 минут.
2 минуты прицепляли трос, тк сдох стартер?

Санчес писал(а):Почти угадал, залипло реле стартера.
Сейчас этот форум просматривают: нет зарегистрированных пользователей и гости: 6
![]() ![]() |
форум с прочитанными/непрочитанными темами | ![]() |
форум содержит подфорумы | ![]() |
закрытый форум |
![]() ![]() |
прочитанная/не прочитанная тема | ![]() ![]() |
объявление/прилепленная тема | ![]() |
закрытая тема |
![]() |
популярная тема | ![]() |
в этой теме есть ваши сообщения | ![]() |
перенесённая тема |